Все привет !!! Вот еще одна постройка,на сей раз из паровой тематики.
Итак локомотив Партика Стирлинга.Стирлинг специализировался на паровых машинах для металургической промышлености,но не проч был по конструировать и паровые автомобили.
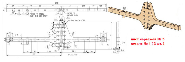
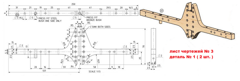
Модель строилась по чертежам французского реставратора паровой техники Жана ДеВоля.
Сложность постройки заключается в то,что автор делавший чертежи опирался на единственный рисунок сделанный Стирлингом и хотевшим запатентовать свое изобретение,но по не ясным причинам патент был отклонен и локомобиль не увидел свет,т.е. не был построен.И поэтому все размеры приблизительны,но судя по чертежам масштаб 1/20.Вот сам рисунок по которому делались чертежи.
Патрик Стирлинг -
И рисунок локомобиля по которому автор строил чертежи






























































































